止回閥

國標旋啟式止(zhǐ)回閥
產品簡介
News Center
新聞中心產品型號:H44H/W/Y/I
產品口(kǒu)徑:DN15-1200mm
產品壓力:1-16Mpa
產品(pǐn)材質:鑄鋼、不鏽鋼、鉻不鏽鋼、鉻鉬鈦(tài)鑄(zhù)鋼
工作溫度(dù)-196~540℃
適用於水、蒸汽、油品(pǐn)、硝酸、強氧化性(xìng)介質及尿素等
設計製造 | GB12236 |
結構長度 | GB12221 |
連(lián)接法蘭 | JB/T79-1994 |
試驗與檢驗 | JB/T9092-1999 |
試驗壓力 | 公稱壓力( MPa ) | ||||
1.6 | 2.5 | 4 | 6.4 | 10 | |
殼(ké)體(tǐ)試(shì)驗(yàn) | 2.4 | 3.8 | 6 | 9.6 | 15 |
密封試驗 | 1.8 | 2.8 | 4.4 | 7.1 | 11 |
閥體材料 | WCB(C) | CF8(P) | CF 8M (R) | WC6 | WC9 |
工作溫度 | ≤ 425 | ≤ 100 | ≤ 100 | ≤ 550 | ≤ 550 |
適用介質 | 水、蒸汽、油品 | 硝酸類 | 醋酸類 | 水(shuǐ)、蒸汽 | 水(shuǐ)、蒸汽 |

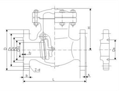
公稱通徑 DN | 主要外形尺(chǐ)寸和(hé)連接尺寸(cùn) | ||||||
L | D | D1 | D2 | b | Z-d | H | |
25 | 160 | 115 | 85 | 65 | 16 | 4-14 | 100 |
32 | 180 | 135 | 100 | 78 | 16 | 4-18 | 105 |
40 | 200 | 145 | 100 | 85 | 16 | 4-18 | 115 |
50 | 230 | 160 | 125 | 100 | 16 | 4-18 | 135 |
65 | 290 | 180 | 145 | 120 | 18 | 4-18 | 142 |
80 | 310 | 195 | 160 | 135 | 20 | 8-18 | 165 |
100 | 350 | 215 | 180 | 155 | 20 | 8-18 | 180 |
125 | 400 | 245 | 210 | 185 | 22 | 8-18 | 210 |
150 | 480 | 280 | 240 | 210 | 24 | 8-23 | 233 |
200 | 500 | 335 | 295 | 265 | 26 | 12-23 | 304 |
250 | 550 | 405 | 355 | 320 | 30 | 12-25 | 348 |
300 | 650 | 460 | 410 | 375 | 30 | 12-25 | 390 |
350 | 750 | 520 | 470 | 435 | 34 | 16-25 | 430 |
400 | 850 | 580 | 525 | 485 | 36 | 16-30 | 468 |
25 | 160 | 115 | 85 | 65 | 16 | 4-14 | 100 |
32 | 180 | 135 | 100 | 78 | 16 | 4-18 | 105 |
40 | 200 | 145 | 110 | 85 | 16 | 4-18 | 115 |
50 | 230 | 160 | 125 | 100 | 20 | 4-18 | 160 |
65 | 290 | 180 | 145 | 120 | 22 | 8-18 | 175 |
80 | 310 | 195 | 160 | 135 | 22 | 8-18 | 185 |
100 | 350 | 230 | 190 | 160 | 24 | 8-23 | 220 |
125 | 400 | 270 | 220 | 188 | 28 | 8-25 | 248 |
150 | 480 | 300 | 250 | 218 | 30 | 8-25 | 276 |
200 | 550 | 360 | 310 | 278 | 34 | 12-25 | 350 |
250 | 650 | 425 | 370 | 332 | 36 | 12-30 | 410 |
300 | 750 | 485 | 430 | 390 | 40 | 16-30 | 430 |
350 | 850 | 550 | 490 | 448 | 44 | 16-34 | 518 |
400 | 950 | 610 | 550 | 505 | 48 | 16-34 | 560 |
在線留言(yán)