氣動球閥

Q641F氣動法蘭球閥
產品簡介
News Center
新(xīn)聞中(zhōng)心產品信號:Q641F
公稱通徑:DN15-DN500
公稱壓力:1.6MPa-4.0MPa
適用(yòng)溫(wēn)度:-20℃-180℃
適用介質:水、油、氣等(děng)
閥體材質:碳鋼、鑄鋼、不鏽(xiù)鋼
設計依據 | 國標係(xì)列 | 美標係列 | |
設計標準 | GB/T12237 | AP16D | ANSI B16.34 |
法蘭連接結構長度 | GB/T12221 | AP16D | ANSI B16.10 |
結構長度(焊接) | GB/T15188.1 | AP16D | ANSI B16.10 |
連接法蘭 | GB/T9113 | ANSI B16.5、B16.47 | |
對焊端 | GB/T12224 | ANSI B16.25 | |
試驗和檢驗 | GB/T9092 | AP16D | AP1598 |
零件名稱 | 材質 | ||
C | P | R | |
閥體 | WCB | ZG1Cr18Ni9Ti | ZG1Cr18Ni12M02Ti |
螺母 | 35 | 1Cr18Ni9Ti | 1Cr18Ni9Ti |
墊片 | PTFE | PTFE | PTFE |
螺柱 | 35 | 1Cr18Ni9Ti | 1Cr18Ni9Ti |
閥體 | WCB | ZG1Cr18Ni9Ti | ZG1Cr18Ni12Mo2Ti |
閥座 | PTFE | PTFE | PTFE |
球體 | 1Cr18Ni9Ti | 1Cr18Ni9Ti | 1Cr18Ni12Mo2Ti |
閥(fá)杆 | 1Cr13 | 1Cr18Ni9Ti | 1Cr18Ni12Mo2Ti |
墊片 | PTFE | PTFE | PTFE |
填料 | PTFE | PTFE | PTFE |
襯套 | PTFE | PTFE | PTFE |
壓蓋 | WCB | ZG1Cr18Ni9Ti | ZG1Cr18Ni12Mo2Ti |
螺栓 | 35 | 1Cr18Ni9Ti | 1Cr18Ni9Ti |
螺栓 | 35 | 1Cr18Ni9Ti | 1Cr18Ni9Ti |
連接支架 | 1Cr18Ni9Ti | 1Cr18Ni9Ti | 1Cr18Ni9Ti |
螺栓 | 35 | 1Cr18Ni9Ti | 1Cr18Ni9Ti |
連接套 | 35 | 1Cr18Ni9Ti | 1Cr18Ni9Ti |
氣動裝置 | 單作用氣動執(zhí)行器,雙作用氣動執行器 | ||
位置指示器 | 塑料 | 塑料 | 塑料 |
公稱通徑DN(mm) | DN15-300 | |||||
公稱(chēng)壓力 | PN(MPa) | 1.0 | 1.6 | 2.5 | 4.0 | 6.4 |
試驗壓力 | 強度試驗 | 1.5 | 2.4 | 3.75 | 6.0 | 9.60 |
密封試驗 | 1.1 | 1.76 | 2.75 | 4.4 | 7.04 | |
低壓氣密試驗 | 0.5~0.7 | |||||
適用介(jiè)質 | 水、油、蒸氣、硝酸類(溫度≤200℃)、醋酸類(溫度≤200℃) | |||||
執行器型(xíng)號 | GT、SR、ST、AT、AW係(xì)列單雙作用氣動執行器 |
供氣壓力 | 0.4~0.7MPa |
氣源接口 | G1/4"、G1/8"、G3/8"、G1/2" |
環境溫度 | -30~+70℃ |
作(zuò)用形式 | 單作用(yòng)執行機構:氣關式(B)--失氣時閥位開(FO);氣開式(shì)(K)--失氣時閥位關(guān)(FC) |
可配附件 | 定位(wèi)器、電磁閥(fá)、空氣過濾減壓器、保位(wèi)閥、行程開關、閥(fá)位傳送器、手輪機構等 |

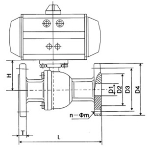
公稱通徑 DN | 外形尺寸(cùn) | 連接法蘭尺寸 | ||||||||
L | L1 | 12 | H | D | D1 | D2 | C | f | n-φd | |
15 | 130 | 140/178 | 62/75 | 185/191 | 95 | 65 | 46 | 14 | 2 | 4-φ14 |
20 | 130 | 140/178 | 62/75 | 191/197 | 105 | 75 | 56 | 16 | 2 | 4-φ14 |
25 | 140 | 140/214 | 62/91 | 193/227 | 115 | 85 | 65 | 16 | 2 | 4-φ14 |
32 | 165 | 164/214 | 75/91 | 212/240 | 140 | 100 | 76 | 18 | 3 | 4-φ18 |
40 | 165 | 164/246 | 75/101 | 217/255 | 150 | 110 | 84 | 18 | 3 | 4-φ18 |
50 | 203 | 190/295 | 91/112 | 260/286 | 165 | 125 | 99 | 20 | 3 | 4-φ18 |
65 | 222 | 210/295 | 101/112 | 293/309 | 185 | 145 | 118 | 20 | 3 | 4-φ18 |
80 | 241 | 247/395 | 112/139 | 323/349 | 200 | 160 | 132 | 20 | 3 | 8-φ18 |
100 | 305 | 276/478 | 127/176 | 382/438 | 220 | 180 | 156 | 22 | 3 | 8-φ18 |
125 | 356 | 348/562 | 159/206 | 468/534 | 250 | 210 | 184 | 22 | 3 | 8-φ18 |
150 | 394 | 378/724 | 176/228 | 510/582 | 285 | 240 | 211 | 24 | 3 | 8-φ22 |
200 | 457 | 524/928 | 228/275 | 655/702 | 340 | 295 | 266 | 24 | 3 | 12-φ22 |
公稱(chēng)通徑DN | 外形尺寸 | 連接法蘭寸 | ||||||||
L | L1 | L2 | H | D | D1 | D2 | C | f | n-φd | |
15 | 140 | 1401/178 | 62/75 | 185/191 | 95 | 65 | 46 | 14 | 2 | 4-φ14 |
20 | 152 | 1401/178 | 62/75 | 191/197 | 105 | 75 | 56 | 16 | 2 | 4-φ14 |
25 | 165 | 164/214 | 75/91 | 199/227 | 115 | 85 | 65 | 16 | 3 | 4-φ14 |
32 | 178 | 164/246 | 751/101 | 212/250 | 140 | 100 | 76 | 18 | 3 | 4-φ18 |
40 | 190 | 190/246 | 911/101 | 245/255 | 150 | 110 | 84 | 18 | 3 | 4-φ18 |
50 | 216 | 210/295 | 1011/112 | 270/286 | 165 | 125 | 99 | 20 | 3 | 4-φ18 |
65 | 241 | 247/340 | 1121/112 | 309/330 | 185 | 145 | 118 | 22 | 3 | 8-φ18 |
80 | 283 | 276/395 | 127/139 | 344/349 | 200 | 160 | 132 | 24 | 3 | 8-φ18 |
100 | 305 | 348/478 | 1591/176 | 421/438 | 235 | 190 | 156 | 24 | 3 | 8-φ22 |
125 | 381 | 378/562 | 176/206 | 485/534 | 270 | 220 | 184 | 26 | 3 | 8-φ26 |
150 | 403 | 432/724 | 206/228 | 559/582 | 300 | 250 | 211 | 28 | 3 | 8-φ26 |
200 | 502 | 524/928 | 228/275 | 655/702 | 360 | 310 | 274 | 30 | 3 | 12-φ26 |
在線留言