過濾器

襯氟(fú)Y型過濾器
產品(pǐn)簡介(jiè)
News Center
新聞中心公稱通(tōng)徑 | DN25~DN200 |
殼(ké)體材質 | 碳鋼(gāng)襯氟 |
濾芯(xīn)材質 | F4、F46 |
過濾精度 | 10~100目 |
連接方式 | 法蘭 |
法蘭壓力 | 0.25~2.5MPa |
法蘭密封麵 | RF |
墊片材料 | PTFE |
1、整(zhěng)體式閥體設計;
2、可替換的過(guò)濾內件;
3、多種過濾結構設計;
4、濾網精度18—500目可選;
5、常規30目設計;
6、又排放接口(kǒu);
7、標準法蘭連(lián)接;
零件名稱 | 灰鑄鐵 (Z) | 碳鋼 (C) |
閥體、閥(fá)蓋 | HT250/A 126 | WCB/A216 WCB |
過濾網 | PTFE(F4) | |
螺栓 /螺母 | 35/45、A193 B7/A194 | |
襯裏層 | FEP(F46)PCTFE(F3) | |

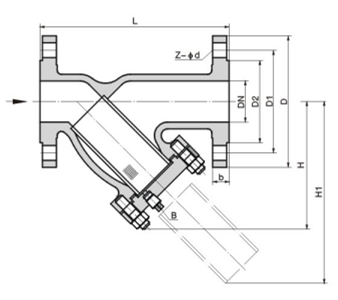
公稱通徑 DN (mm) | NPS (in) | GL41F46-10/16/25型過濾器 | |||||||||
L | D | D1 | D2 | b | f | H1 | H | Z-φd | 重量(liàng)(kg) | ||
PNl.0~2.5(MPa) | |||||||||||
20 | 3/4 | 150 | 105 | 75 | 55 | 16 | 2 | 70 | 122 | 4-14 | 3.3 |
25 | 1 | 160 | 115 | 85 | 65 | 16 | 2 | 78 | 135 | 4-14 | 4.2 |
32 | 11/4 | 190 | 135 | 100 | 78 | 18 | 2 | 86 | 154 | 4-18 | 6.6 |
40 | 11/2 | 200 | 145 | 110 | 85 | 18 | 3 | 92 | 164 | 4-18 | 7.3 |
50 | 2 | 230 | 160 | 125 | 100 | 20 | 3 | 102 | 182 | 4-18 | 12 |
65 | 21/2 | 250 | 180 | 145 | 120 | 20 | 3 | 115 | 205 | 4-18 | 16 |
80 | 3 | 280 | 195 | 160 | 135 | 22 | 3 | 135 | 232 | 8-18 | 23 |
100 | 4 | 320 | 215 | 180 | 155 | 24 | 3 | 156 | 263 | 8-18 | 32 |
125 | 5 | 400 | 245 | 210 | 185 | 26 | 3 | 248 | 370 | 8-18 | 39 |
150 | 6 | 500 | 280 | 240 | 210 | 28 | 3 | 285 | 425 | 8-23 | 52 |
200 | 8 | 600 | 335 | 295 | 265 | 30 | 3 | 362 | 530 | 8-23 | 89 |
在線留(liú)言